Лебедка для квадроциклов с максимальным тяговым усилием 1140 кг. Работает от 12 В, выходная мощность двигателя составляет 1,1 л.с. Характеризуется достаточно высокой скоростью намотки троса: 4,3 м/мин без нагрузки и 1,3 — под максимальной нагрузкой (на первом слое) и щадящими токами: 160 А при максимуме нагрузки.
Рассчитана на небольшие квадроциклы и на не сильно экстремальные условия эксплуатации: небольшое тяговое усилие вряд ли справится с задачей вытянуть глубоко засевший в полужидкой грязи ATV.
Характеристики:
- Полностью стальной редуктор планетарного типа Запатентованный Runva механизм редуктора
- Функция свободной размотки троса Автоматический тормоз
- В комплекте 4-х роликовая направляющая рамка троса
- Дистанционный пульт управления с возможностью монтажа на ATV
- Опционально доступен беспроводной пульт управления
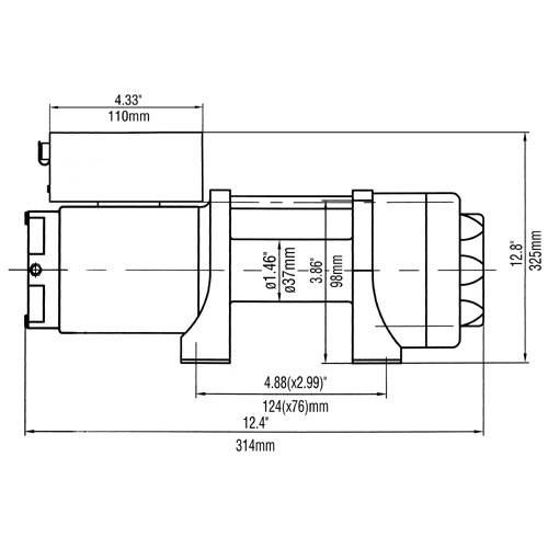
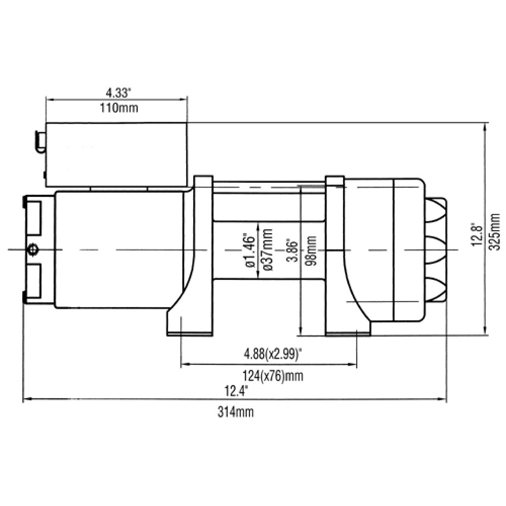
Технические характеристики
| Максимальное усилие на тросе, кг | 1140 |
| Двигатель | 12 В; Потребляемая мощность 2,6 л.с. (1,9 кВт); Выходная мощность 1,1 л.с. (0,8 кВт) |
| Передаточное число | 170:1 |
| Трос | металлический, Ø 4,8 мм, длина 14 м |
| Барабан, мм | Ø 37, длина 80 |
| Габаритные размеры (ДхШхВ), мм | 323х113х112 |
Скорость намотки троса, м/мин, при нагрузке:
| Нагрузка, кг | Скорость намотки троса, м/мин |
| 0 | 4,3 |
| 227 | 3,0 |
| 680 | 2,3 |
| 1140 | 1,3 |
Сила тока, А, при нагрузке:
| Нагрузка, кг | Сила тока, А |
| 0 | 20 |
| 227 | 55 |
| 680 | 95 |
| 1140 | 160 |
Максимальное тяговое усилие в зависимости от количества слоев троса на барабане, кг:
| Слой троса | Тяговое усилие |
| 1 | 1140 |
| 2 | 922 |
| 3 | 777 |
| 4 | 671 |
| 5 | 591 |
Гарантийные условия:
Гарантия не распространяется на мотор, трос и ролики (клюз) лебедки
-
Еще не было вопросов
-
Популярный товар
Нет в наличии (по запросу)
Артикул :T8-488V6 RSF [REVOLUTION GEAR] Главная пара 4.88 8" V6 (прямого вращения) (27 шлицев) Обработка REM Isotropic Super Finishing (ISF)
0р.
-
Популярный товар
В наличии
Артикул :SMTOY32B [SUPREME MOTORS] Фланец хвостовика для Toyota на 32 шлица сверловка 66х66 (41204-60080 / 41204-60060)
4500р.
-
Популярный товар
В наличии
Артикул :T8IFS-456RT [REVOLUTION GEAR] Главная пара переднего моста 4.56 TOYOTA 8"Clamshell (обратное вращение) (толстая)
40000р.
-
Популярный товар
В наличии Москва (1-2 дня)
Артикул :VR-42-AS1 [VAL-RACING] Комплект Автоподкачка для моста уаз (военный мост)
4000р.
-
Популярный товар
Нет в наличии (по запросу)
Артикул :MG22131 [TEN FACTORY] Усиленные передние полуоси, сталь 4340 хромолибден (полный набор) JEEP 1987-1995 DANA 30 30 шлицев (увеличенный размер шлицевой)
0р.

