Runva EWD12000U относится к линейке двухскоростных лебедок, от модели EWD10000U она отличается увеличенной мощностью мотора в 7.2л.с. Основной отличительной особенностью этих моделей является двухступенчатый редуктор с передаточными числами 267:1 и 86:1 соответственно. Фактически, она объединяет в себе функционал двух лебедок: мощной с хорошей тяговой способностью и скоростной и легкой. Переключение между режимами легко и просто осуществляется с помощью удобного переключателя расположенного на корпусе лебедки. Скоростную передачу имеет смысл использовать на смотке или размотке троса в холостом режиме, и тех случаях, когда автомобилю нужно всего лишь немного помочь. Вторую (медленную) передачу рационально применять для лебежений в условиях тяжелого бездорожья, когда скорость винчевания отходит на второй план и важно как раз мощное тяговое усилие. Фактически это две принципиально разные по характеру лебедки в одном компактном корпусе, что очень удобно как на соревнованиях, так и в обычной эксплуатации. Никогда еще работа с лебедкой не была такой удобной и эффективной.
Благодаря наличию в конструкции сальников, лебедка Runva EWD12000U является абсолютно водонепроницаемой. Влагозащита лебедки - на уровне лебедок серии EWB.
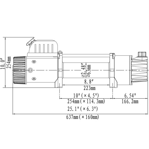
Основные характеристики:
- Тяговое усилие: 12000 lbs (5443 кг)
- Мотор: 5.4 кВт/ 7.2л.с.
- Передаточное число редуктора: 267:1(Низкая скорость смотки), 86:1(высокая скорость)
- Трос: сталь, диаметр 10 мм, длина 25 м
- Размеры барабана: диаметр 63 мм, ширина 223 мм
- Посадочные размеры: 254 мм×114.3 мм, болты M10
Тяговое усилие, скорость смотки и потребляемый ток
Низкая скорость
| Тяговое усилие, lbs/кг | Скорость смотки, м/мин | Ток, А |
| 0 | 9.0 | 70 |
| 3000 / 1361 | 2.4 | 250 |
| 9000 / 4082 | 2.0 | 345 |
| 12500 / 5670 | 1.5 | 450 |
Высокая скорость
| Тяговое усилие, lbs/кг | Скорость смотки, м/мин | Ток, А |
| 0 | 27.0 | 75 |
| 3000 / 1361 | 6.8 | 250 |
| 9000 / 4082 | 4.2 | 400 |
| 12500 / 5670 | 3.2 | 490 |
Распределение тягового усилия по слоям
| Количество слоев | Номинальная тяга lbs(кг) | Длина троса на барабане, м |
| 1 | 12500(5670) | 4.9 |
| 2 | 9776(4434) | 11.1 |
| 3 | 8026(3641) | 18.3 |
| 4 | 6808(3088) | 25.5 |
Гарантийные условия:
Гарантия не распространяется на мотор, трос и ролики (клюз) лебедки
-
Еще не было вопросов
-
Популярный товар
Нет в наличии (по запросу)
Артикул :SMT8391R27 [SUPREME MOTORS] Главная пара заднего моста 3.91 для Toyota Land Cruiser Prado120, Lexus GX470 и 78 90 Hilux Surf FJ Cruiser 8" (27 шлицев)
0р.
-
Популярный товар
Нет в наличии (по запросу)
Артикул :RD330 [HF] Пневматическая блокировка HF RD330 для Mitsubishi Pajero Delica 7.25" IFS передняя (28 шлицов)
0р.
-
Популярный товар
В наличии
Артикул :TLC-529 [REVOLUTION GEAR] Главная пара 5.29 Toyota 9.5" Landcruiser 30 шлицев на полуоси, (27 шлицев)
45000р.
-
Популярный товар
В наличии Москва (1-2 дня)
Артикул :SA267 [РИФ] Амортизатор усиленный РИФ задний Toyota Land Cruiser Prado 120, 150, FJ Cruiser лифт 45 мм
7820р.
-
Популярный товар
В наличии Москва (1-2 дня)
Артикул :RIF150-20170 [РИФ] Бампер РИФ силовой задний Toyota Land Cruiser Prado 150 c квадратом под фаркоп
54830р.

