Лебедка оснащена двухступенчатым редуктором с передаточными числами 267:1 и 86:1. Фактически, лебедка Runva EWD12000SR объединяет в себе функционал двух лебедок: мощной, с хорошей тяговой способностью, и скоростной. Скоростную передачу имеет смысл использовать на смотке или размотке троса в холостом режиме, и тех случаях, когда автомобилю нужно всего лишь немного помочь. Вторую (медленную) передачу рационально применять для лебежений в условиях тяжелого бездорожья, когда скорость отходит на второй план и важно как раз мощное тяговое усилие. Можно сказать, что две принципиально разные по характеру лебедки объединены в одном компактном корпусе, что очень удобно как на соревнованиях, так и в обычной эксплуатации.
Никогда еще работа с лебедкой не была такой удобной и эффективной!
Основные характеристики:
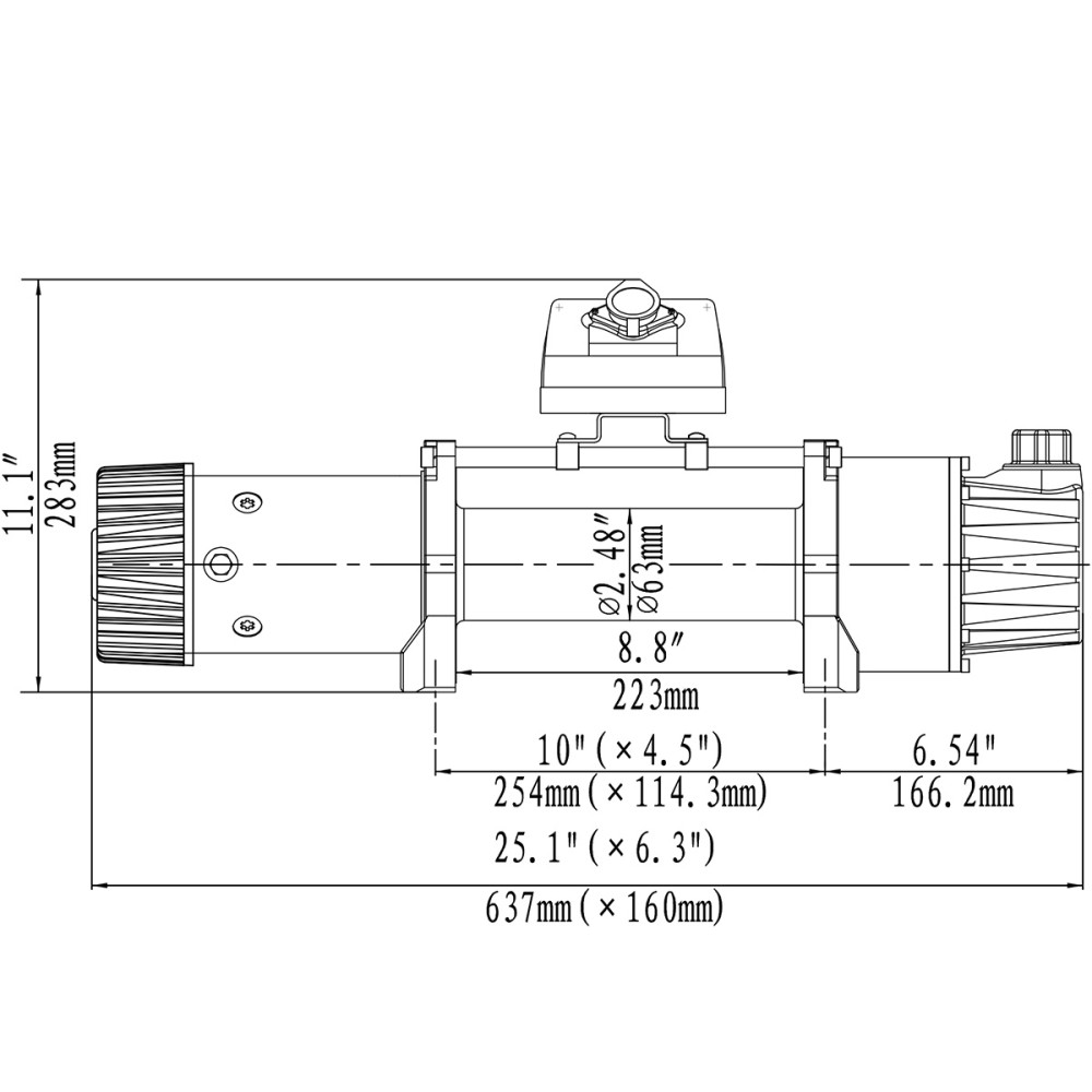
- Тяговое усилие: 12000 lbs (5443 кг)
- Мотор: 5.4 кВт/ 7.2л.с.
- Передаточное число редуктора: 267:1(Низкая скорость смотки), 86:1(высокая скорость)
- Трос: синтетика, длина 25 м, диаметр 11 мм
- Размеры барабана: диаметр 63 мм, ширина 223 мм
- Посадочные размеры: 254 мм×114.3 мм, болты M10
-
Еще не было вопросов
-
Популярный товар
Нет в наличии (по запросу)
Артикул :ET111 [HF] Блокировка электрическая HF ET111 для Toyota 8"Clamshell Prado 120/150, Lexus GX460/470, Hilux,FJ Cruiser, 4Runner и др.
0р.
-
Популярный товар
Нет в наличии (по запросу)
Артикул :AP154 [HF] Блокировка пневматическая AP154 для Mitsubishi Pajero L200 Montero 9.5" задний мост (31 шлиц)
0р.
-
Популярный товар
В наличии
Артикул :T9.5-488-32 [REVOLUTION GEAR] Главная пара 4.88 Toyota Land Cruiser 70, 100, 105, 200 & Autana задняя 9.5" (32 шлица) аналог 41201-80599 (41201-80495)
80000р.
-
Популярный товар
Нет в наличии (по запросу)
Артикул :AP155 [HF] Блокировка пневматическая HF AP155 для Mitsubishi Pajero NM NP 9.5" IRS задняя
0р.
-
Популярный товар
В наличии Москва (1-2 дня)
Артикул :SSC-3151 [STEELSTAFF] Пружина SteelStaff передняя Toyota Hilux 2005-2014, 2015+, LC Prado 120, FJ Cruiser 0-50 кг лифт 45мм
5500р.

