Лебёдка электрическая (индустр.) 24V Runva 17500 lbs 7960 кг синтетический трос
95600р.
Лебёдка электрическая (индустр.) 24V Runva 17500 lbs 7960 кг синтетический трос
Описание
Промышленная электрическая лебедка Runva серии EWN с тяговым усилием 7960кг (17500lbs) предназначена для применения на легковых и грузовых эвакуаторах, тягачах, грузовых автомобилях, вездеходах и другой специализированной технике. Предназначена для питания от автомобильных бортовых сетей 24В и рассчитана на эксплуатацию в тяжелых условиях и при высоких нагрузках.
Основные характеристики
- Тяговое усилие, lbs/кг: 17500/7960
- Мотор: 24В, 6,0 кВт / 8,0 л.с.
- Передаточное число: 430:1
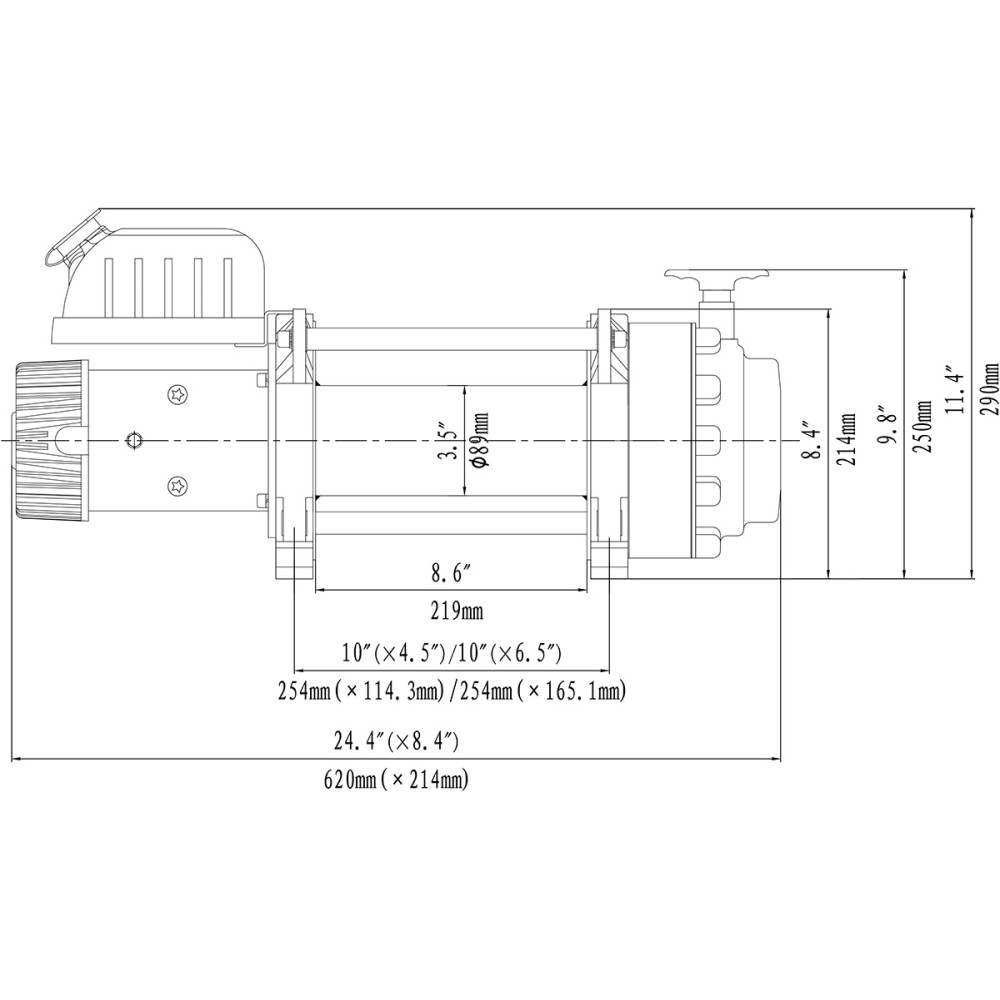
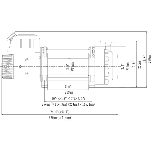
- Трос: синтетика Ø14мм × 25м
- Размеры барабана: Ø89 мм ×219 мм
- Общие размеры (ДхШхВ): 620 мм ×214 мм ×290 мм
- Вес: 67 кг
Максимальное усилие для слоёв троса на барабане лебедки Runva EWN17500U 24в
| Слой | Макс. нагрузка lb / Kг | Остаток троса на барабане м. |
| 1 | 17500 / 7938 | 6.0 |
| 2 | 14140 / 6114 | 13.0 |
| 3 | 11862 / 5381 | 21.0 |
| 4 | 10217 / 4634 | 26.5 |
Производительность автомобильной электрической лебедки Runva EWN17500U 24в
| Нагрузка Lbs(Kг) | Скорость намотки м/мин | Потребление тока, А |
| Без нагрузки | 4.4 | 40 |
| 6000 / 2722 | 2.1 | 100 |
| 10000 / 4536 | 1.8 | 140 |
| 12500 / 5670 | 1.6 | 180 |
| 14000 / 6350 | 1.4 | 200 |
| 17500 / 7938 | 1.2 | 250 |
Вопросы и ответы
-
Еще не было вопросов
Вы смотрели
-
Популярный товар
Нет в наличии (по запросу)
Артикул :EWV12500SSR [RUNVA] Лебёдка электрическая 12V Runva 12500 lbs 5670 кг (синтетический трос)
0р.
-
Популярный товар
В наличии Москва (1-2 дня)
Артикул :RIFT30-88005 [РИФ] Фаркоп РИФ для заднего бампера RIFT30-21070 на TANK 300 (без шара и переходника)
10250р.
-
Популярный товар
В наличии Москва (1-2 дня)
Артикул :RIF063-22003 [РИФ] Фаркоп РИФ усиленный для УАЗ Патриот 2005+ под штатный бампер (без шара и переходника)
12210р.
-
Популярный товар Успей купить
В наличии
Артикул :D30-373TJ [MOTIVE GEAR] Главная пара переднего моста 3.73 DANA 30 короткий хвост 18 см (прямое вращение)
40000р.
-
Популярный товар
Нет в наличии (по запросу)
Артикул :EWN17500S24V [RUNVA] Лебёдка электрическая (индустр.) 24V Runva 17500 lbs 7960 кг
0р.

