Отличительной особенностью этой лебедки является укороченный барабан. В первую очередь этой моделью могут заинтересоваться те автовладельцы, кто не хотел бы ставить стационарную лебедку и планирует использовать съемный вариант.
Благодаря своей конструкции лебедка получилась легкой и компактной, что очень важно если вы используете переносной вариант. Она не займет много места в багажнике и одному человеку вполне под силу использовать ее.
Основные характеристики:
- Тяговое усилие: 9500lb (4309 кг)
- Мотор: (12В) 4.6 кВт/5.8HP
- Передаточное число: 230:1
- Трос: синтетика, длина 14 метров, диаметр 10 мм
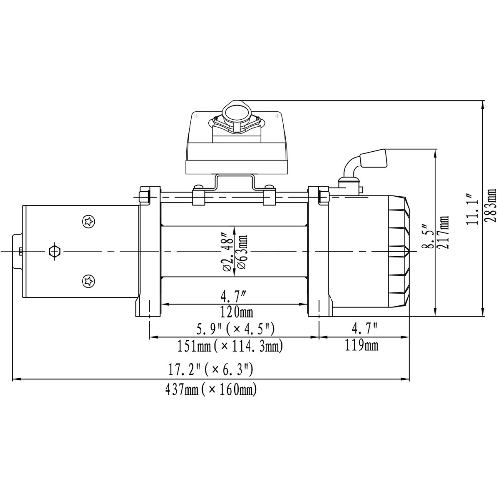
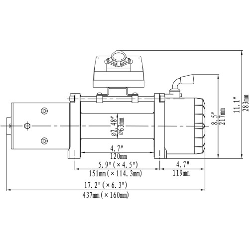
- Размер барабана: 63 мм x 120 мм
- Посадочный размер: 151×114.3 мм
- Внешние габариты: 437 мм x 160 мм x 272 мм
| Тяговое усилие (lb) | Скорость сматывания (м/мин) | Потребляемый ток А (12В) | Слой троса | Максимальное усилие lb/Кг | |
| 0 | 6.0 | 80 | 1 | 9500 (4309) | |
| 3000 | 3.8 | 170 | 2 | 7706 (3495) | |
| 6000 | 3.0 | 260 | 3 | 6482 (2940) | |
| 9500 | 6.2 (1.9) | 380 | 4 | 5593 (2537) |
Гарантийные условия:
Гарантия не распространяется на мотор, трос и ролики (клюз) лебедки
-
Еще не было вопросов
-
Популярный товар
В наличии Москва (1-2 дня)
Артикул :SSC-3141 [STEELSTAFF] Пружина SteelStaff передняя Toyota Hilux 2015- (0-50 кг, лифт 20мм), Hilux 2005-2015 (0-50кг, лифт 45мм)
4000р.
-
Популярный товар
В наличии Москва (1-2 дня)
Артикул :120-775C [РИФ] Пружины РИФ задние Toyota Land Cruiser Prado 120, 150 200-300 кг лифт 45 мм
12640р.
-
Популярный товар
Нет в наличии (по запросу)
Артикул :168PL25 [TJM] Блокировка дифференциала TJM 168PL25 на Toyota Hilux 4Runner Land Cruiser 70,73,76,78, перед/зад 8" 30 шлицев
0р.
-
Популярный товар
Нет в наличии (по запросу)
Артикул :AP155 [HF] Блокировка пневматическая HF AP155 для Mitsubishi Pajero NM NP 9.5" IRS задняя
0р.
-
Популярный товар
Нет в наличии (по запросу)
Артикул :T8-488V6 [REVOLUTION GEAR] Главная пара 4.88 8" V6 (прямого вращения) (27 шлицев)
0р.

